MOLLA COMPRESSIONE D21600 S/S

4,81 €
Tasse incluse
316 articoli

Sconti sulla quantità

Quantità Sconto unità Salva
15 10% Fino a 7,21 €
25 20% Fino a 24,03 €
50 30% Fino a 72,10 €
100 45% Fino a 216,31 €
150 55% Fino a 396,56 €
Quantità

- Per maggiori informazioni contattarci telefonicamente o tramite email per un preventivo.

- Per ordini superiori a 100 PZ contattarci telefonicamente o tramite email.

- Tel: +39 015 23581 E-mail: meter@meterspec.it

 

Download PDF
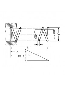
D21600

Scheda tecnica

Materiale
ACCIAIO INOX 302
L - Lungh. Libera (mm)
6.9
Do - Diam. Esterno (mm)
4.8
d - Diametro Filo (mm)
0.8
L1 - Lungh. Min. Lavoro (mm)
5.2
Sh - Lungh. a Pacco (mm)
5.2
P1 - Carico a L1 (N)
26.55
R - Carico di Flessione Unitario (N/mm)
15.44

Riferimenti Specifici