MOLLA COMPRESSIONE C0600-045-0750S

6,15 €
Tasse incluse
660 articoli

Sconti sulla quantità

Quantità Sconto unità Salva
15 10% Fino a 9,22 €
25 20% Fino a 30,74 €
50 30% Fino a 92,23 €
100 45% Fino a 276,70 €
150 55% Fino a 507,28 €
Quantità

- Per maggiori informazioni contattarci telefonicamente o tramite email per un preventivo.

- Per ordini superiori a 100 PZ contattarci telefonicamente o tramite email.

- Tel: +39 015 23581 E-mail: meter@meterspec.it

 

Download PDF
P600045075

Scheda tecnica

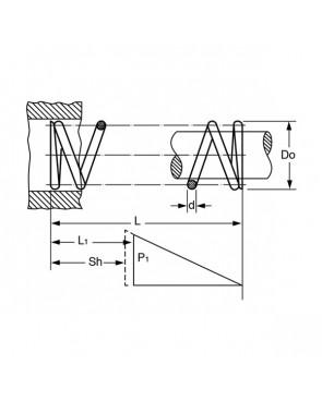
Materiale
ACCIAIO INOX 302
L - Lungh. Libera (mm)
19.05
Do - Diam. Esterno (mm)
15.24
d - Diametro Filo (mm)
1.14
L1 - Lungh. Min. Lavoro (mm)
8.15
Sh - Lungh. a Pacco (mm)
5.21
P1 - Carico a L1 (N)
22.23
R - Carico di Flessione Unitario (N/mm)
2.04

Riferimenti Specifici