MOLLA COMPRESSIONE C1100-085-2000M

9,77 €
Tasse incluse
17 articoli

Sconti sulla quantità

Quantità Sconto unità Salva
15 10% Fino a 14,66 €
25 20% Fino a 48,86 €
50 30% Fino a 146,58 €
100 45% Fino a 439,75 €
150 55% Fino a 806,21 €
Quantità

- Per maggiori informazioni contattarci telefonicamente o tramite email per un preventivo.

- Per ordini superiori a 100 PZ contattarci telefonicamente o tramite email.

- Tel: +39 015 23581 E-mail: meter@meterspec.it

 

Download PDF
C100085200

Scheda tecnica

Materiale
ACCIAIO AL CARBONIO C85
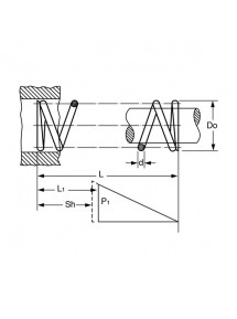
L - Lungh. Libera (mm)
50.8
Do - Diam. Esterno (mm)
27.94
d - Diametro Filo (mm)
2.16
L1 - Lungh. Min. Lavoro (mm)
27.51
Sh - Lungh. a Pacco (mm)
14.3
P1 - Carico a L1 (N)
70.9
R - Carico di Flessione Unitario (N/mm)
3.05

Riferimenti Specifici